Seite 4 von 8
Re: Notstrom fürs Haus ?
Verfasst: Di 10. Dez 2013, 12:17
von JunkersJan
Hallo,
der Axel hat es schön auf den Punkt gebracht: unter den beschriebenen elektrischen Bedingungen ist der vorhandene Generator nicht wirklich brauchbar.
Aus den gleichen Überlegungen heraus habe ich mich vor einem Jahr für einen einphasigen Generator und Einspeisung auf alle drei Leiter entschieden, mit Brücke am Einspeisepunkt. Dafür habe ich meine E-Anlage nur geringfügig anpassen müssen. Als Eigenversorger Trinkwasser war der Umbau auf Einphasenmotor an der Wasserpumpe schon das aufwendigste. Auf elektrischen Durchlauferhitzer verzichte ich in der Zeit eben, der "Rest" funktioniert. Dazu klare Regeln welche Verbraucher gleichzeitig betreibbar sind an die man sich auch hält, sonst schlägt der Überlastschutz zu.
Zu klären ist auf jeden Fall die anzuwendende Schutzmaßnahme und der Nachweis der Wirksamkeit. Wenn also nicht vom Fach, fragen und bauen lassen. Ist besser für die Gesundheit und auch für die Technik.
Am vergangenen Freitag konnte ich die Funktionalität übrigens das erste Mal im echten Einsatz testen; 75 Minuten lang.
Der Kaffee schmeckt - notstromerzeugt - doppelt so gut.
Gruß Jan
Re: Notstrom fürs Haus ?
Verfasst: Di 10. Dez 2013, 15:26
von BUMI
Moin, weil das Thema doch noch nicht zu ende ist, eine Frage, die mich seit einigen Tagen umtreibt:
Wie ist so ein Generator eigentlich innerlich verschaltet?
Es gibt Stern und Dreieckschaltungen
Bei Sternschaltung ist das klar, da wird der N mit herausgeführt.
Wie sieht das bei einem dreieckgeschaltetem Generator aus? Wie bekomme ich von dem einen N ?
Auf dem Typenschild auf Seite 2 ist die Amperezahl und das Symbol Dreieck/Stern angegeben - wie ist dieser Generator nun geschaltetß
Beim Motor gilt: Leistung Dreieck = 3X Leistung Stern (sonst könnte man sich die Stern-Dreiechschaltung sparen.
Gilt das auch für den Generator? kann eigentlich nicht, denn dann wären 2 Leistungsangaben nötig. Oder denke ich da föllig falsch?
Gruß, Burgfried
Re: Notstrom fürs Haus ?
Verfasst: Mi 11. Dez 2013, 10:01
von Axel
Hallo Burgfried,
Nach meinem Wissen haben Generatoren in Dreieckschaltung keinen Mittelpunktleiter und somit auch kein N.
Ich hab mal ein wenig in meinen Unterlagen von etwa 1980 geschnüffelt.
Die Fimag Generatoren 3,5 bis 90 KVA aus meinen Unterlagen sind in Sternschaltung ausgeführt.
Der Sternpunkt ist als N nach außen geführt und mit dem Maschinenrahmen verbunden.
Mein russisches Aggregat 4 KVA, ist auch in Sternschaltung ausgeführt und der Sternpunkt auch als N nach außen geführt, aber NICHT mit dem Maschinenrahmen verbunden. Es hat ein aber Isolationsgütemessgerät.
Viele Grüße,
Axel
Re: Notstrom fürs Haus ?
Verfasst: Mi 11. Dez 2013, 17:12
von JunkersJan
Hallo Axel,
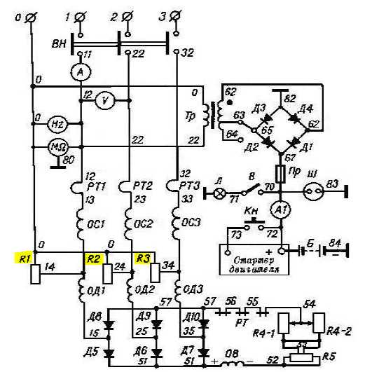
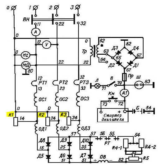
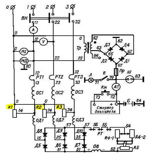
die AB4-Serie hat tatsächlich eine Wirkleistung von 4kW, und eine Scheinleistung von 5kVA, siehe Bild (ergibt sich mit cos Phi von 0,8). Die Russen habe da echt belastbare Daten geliefert die das Aggregat auch dauerhaft leistet. Ganz im Gegensatz zu heute gebräuchlichen Übertreibungen am Markt.

- Leistung Aggregat
Und an diesem Schaltbild sieht man auch, warum die Sternpunkte nicht belastbar sind: Über R1, R2, R3 werden die Generatorspulen OS1-OS3 zum Sternpunkt zusammengeführt was im Betrieb einen Spannungsabfall erzeugt der nachregelnd auf die Erregerseite einwirkt - das soll die Ausgangsspannung konstant halten. Bei einseitiger Belastung der Leiter führt das dann zur Unsymmetrie der Spannungen.

- Stern.jpg (37.82 KiB) 8104 mal betrachtet
Gruß Jan
Re: Notstrom fürs Haus ?
Verfasst: Mi 11. Dez 2013, 17:41
von BUMI
Moin, das ist interessant, Problem habe ich noch mit den Kyrillischen Buchstaben: Es gibt die Spulen OC 1-3 und OA 1-3. sind die ersteren die Anker und die 2. die Feldwicklungen? Welche sind di OS-Wicklungen?
Gruß, Burgfried
Re: Notstrom fürs Haus ?
Verfasst: Mi 11. Dez 2013, 20:12
von Axel
Hallo Jan,
Na da hast du ja die gleiche Anleitung wie ich.
Sowas müsste man in Deutsch haben, aber obwohl..., russische Technik ist ja selbsterklärend.
Ja Burgfried,
Das russische C ist ein S, also sind die russischen OC Wicklungen ("обмотка статора" für Ständerwicklung) aus dem Schaltplan die deutschen OS Wicklungen, muuuhaaaahhaaarar...
Also im Schaltplan sind die OC Wicklungen die Ankerwicklungen.
Das wie im Schaltplan wie ein A aussieht, ist eine russisches D...
Die OД Wicklungen im Schaltplan sind irgendwelche Korrektur-, Regel, oder Ausgleichs-, oder Übertragungswicklungen.
Die Erregerwicklung (Feldwicklung) ist die OB Wicklung ganz unten, die noch mit + und - gekennzeichnet ist.
Ich hab das erstmal so auf die Schnelle mit meinem spärlichen russisch aus Schulzeiten rausvermutet...
Ich schraube morgen den Schaltkasten mal auf um nachzuschauen.
Ich vermute ganz stark, das es sich bei dem GAB 4 um eine Innenpolmaschine handelt, der Laststrom also aus den Ständerwicklungen kommt.
Bei den kleinen (4 KVA) Fimag Generatoren ist es andersrum, da kommt der Laststrom aus dem Läufer also sind das Aussenpolmaschinen.
Auf jeden Fall ist das GAB ein geiles Stück Technik, wenn man den Schaltkasten öffnet erschlägt einen das Sammelsoriom von Teilen förmlich, was man im Schaltplan sieht, ist wenig gegen diesen Anblik...
Ich mach morgen gleich mal ein Foto.
Viele Grüße,
Axel
Re: Notstrom fürs Haus ?
Verfasst: Do 12. Dez 2013, 13:16
von JunkersJan
Hallo Axel,
Die Anleitung für das Aggregat gibt es in deutsch. Ist eine Dienstvorschrift der NVA, dort wurde das Teil ja auch verwendet. Am Gerät selbst erkennt man die Herkunft an der Beschriftung, deutsch (NVA) oder kyrillisch (Sowjetarmee). Ich hab von beidem etwas
Gruß Jan
Re: Notstrom fürs Haus ?
Verfasst: Sa 14. Dez 2013, 12:39
von onkelheri
Bilder sagen mehr als 1000 Worte - bewegte Bilder sagen dann wieviele Worte mehr?
http://www.youtube.com/results?search_q ... utzen&sm=1
Da mal eine Stunde investieren ...
Heri
Re: Notstrom fürs Haus ?
Verfasst: Sa 14. Dez 2013, 14:13
von arturwernz
hallo leute
.ich beobachte schon ein par tage wasdie
forenmitglieder für vorschläge unterbreiten. davon kannst du alles zum müll werfen.
der Motor für so eine anlage muß einen abstellmagnet haben. eine netzüberwachung,wenn interresse besteht, kann ich dir
anfertigen .den Motor duzu auch mit Generator 1oder 3phasig . dies mußt du beim haus ergründen.für diese anlage ist ein 2zyl.
Motor mit abstellmagnet leichter zu beschaffen als ein 1zyl. wenn dies richtig vorbereitet ist ,kann dies jeder der einen schrauben_
dreher hat anzuschließen.beim preis muß du schon mit 5bis6ooo.-euro rechnen.
mfg. artur
Re: Notstrom fürs Haus ?
Verfasst: Sa 14. Dez 2013, 17:45
von BUMI
Hallo Artur,
ist der Abstellmagnet Bedingung für eine Generatormaschine? Bei meinem Hatz ist der Öldruck mit einem Zeitschalter in die Steuerung eingebunden gewesen. Dieser Zeitschalter überbrückt die Zeit, bis der Öldruck aufgebaut ist. Der Zeitschalter war defekt und das ganze Aggregat deshalb entsprechend billig.
Gruß, Burgfried