Seite 1 von 1
lüfterrad vom el150 demontieren
Verfasst: Sa 26. Mai 2018, 11:04
von ulferdmann
Hallo ,
ich habe mir einen Balkenmäher zugelegt der mit dem Motor EL 150 angetrieben wird .
mein Problem kein Zündfunke - um an die Zündung zu kommen muß ja das Lüfterrad runter
Kann mir jemand Tips geben wie ich vorgehen muß bzw was ich für ein Werkzeug Brauche
Ich sage schon mal Danke
Gruß Ulf Erdmann
Re: lüfterrad vom el150 demontieren
Verfasst: Sa 26. Mai 2018, 17:55
von deutz93
Hallo
Du benötigst ein Abzieher wie auf dem Bild mit M28 mal 1,5 Außengewinde.Den Abzieher spannst du am besten vorsichtig immer stückchenweiße nach und zwischendurch immer wieder warten bis das Polrad sich mit einem mehr oder weniger beeindruckenden Kancks geräusch löst.

- DSC_0990.JPG (36.33 KiB) 2353 mal betrachtet
Mfg.Max
Re: lüfterrad vom el150 demontieren
Verfasst: Mo 28. Mai 2018, 15:10
von ulferdmann
Hallo ,
der Abzieher ist bestellt. wo bekomme ich einen passenden Schlüssel für die Kronenmutter die vor dem Lüfterradsitzt
Gruß Ulf
Re: lüfterrad vom el150 demontieren
Verfasst: Mo 28. Mai 2018, 15:59
von deutz93
Hallo
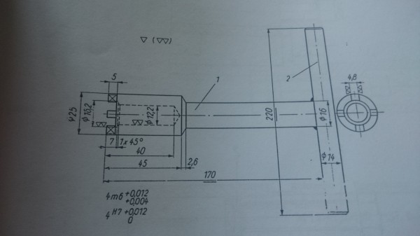
Hier eine Zeichnung von dem Schlüssel. Am einfachsten ist es eine Nuss passend zu feilen oder die brutale Methode und die Mutter mit einem Meißel Rauf und runter prügeln.

- DSC_0996.JPG (28.96 KiB) 2263 mal betrachtet
Mfg.Max
Re: lüfterrad vom el150 demontieren
Verfasst: Mo 28. Mai 2018, 17:04
von ulferdmann
Danke Max ,
Ich werde morgen das feilen anfangen
Gruß Ulf
Re: lüfterrad vom el150 demontieren
Verfasst: Do 31. Mai 2018, 20:26
von ulferdmann
der Motor läuft wieder - Samstag geht's ins Gelände Rasen mähen
Gruß Ulf