Seite 1 von 1
Barkas EL 308; Ölmenge Drehzahlregler
Verfasst: Do 8. Aug 2019, 19:38
von Ventilspiel
Hallo,
ich bin dabei einen Barkas EL 308 aufzuarbeiten.
Wieviel ml Öl kommen in den Drehzahlregler?
Danke und Grüße.
Tino
Re: Barkas EL 308; Ölmenge Drehzahlregler
Verfasst: Fr 9. Aug 2019, 23:38
von arffm
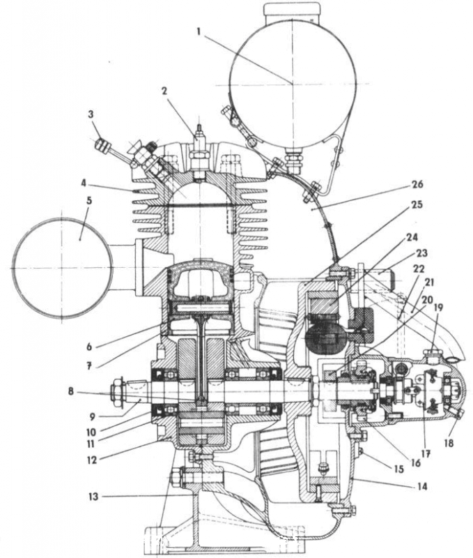
Getriebeöl GL3 SAE 90 (entspricht dem GL125)
durch die Einfüllschraube 19 oben so viel einfüllen, bis es an der Kontrollschraube 18 raus läuft.

- EL308 Schnitt
Gruß arthur
Re: Barkas EL 308; Ölmenge Drehzahlregler
Verfasst: Sa 10. Aug 2019, 11:56
von Ventilspiel
Hallo Arthur,
für mich war die Schraube 18 für die Entleerung.
Deine Antwort leuchtet auch mit Hilfe der Schnittzeichnung ein, da diese ja nicht am tiefsten Punkt ist.
Danke für die schnelle Hilfe.
Grüße Tino