lister A zündung einstellen
Moderatoren: MotorenMatze, meisteradam, Junkersonkel
-
Stamofreund
- Beiträge: 92
- Registriert: Sa 29. Jan 2011, 12:02
- Meine Motoren: Güldner
Deutz
Lister
B.S.A
Bradford
Kohler
Hatz
Diverse Dampfmaschinen
end open - Wohnort: Karlsruhe
lister A zündung einstellen
Hallo bei meinem Lister A ist die kette gesprungen so habe mir eine neue besorgt . So jetzt meine frage wie stelle ich sie jetzt genau eingibt es Mackierung oder eine an deren Trick dabei ?
-
jaki
- Beiträge: 775
- Registriert: Di 31. Aug 2010, 13:48
- Meine Motoren: 8x Deutz, 5x Warchalowski,
3x Lang & Reichl, 3x Sendling, 2x Renauer,
2x Lister, 2x Ig. Lorenz, Liesinger,
Simmeringer, Bauer & Ebner, Exinger
Gebr. Steininger, Jähne, Fairbanks Morse
Schlüter, Deering, Ebbs & Radinger,
Lang & Reichl, HSCS - Kontaktdaten:
Re: lister A zündung einstellen
HAllo,
Das ganze ist ziehmlich einfach:
Das Schwungrad hat 6 Speich, ein Kreis hat 360°, dass heist zwischen jeder Speiche liegen 60°.
Beim Junior sollte die Zündung auf ca. 20° vor OT liegen wenn der Motor unter Volllast arbeitet. Etwas später beim laufen am Stand ohne Last. (ca. 10-15° vor OT)
Das Schwungrad hat auf einer Stelle ein Ausgleichsgewicht. Das ist gegenüber dem Kolben, d.h. wenn die Speiche mit dem Gewicht ganz unten ist, ist der Kolben ganz oben, OT haben wir also gefunden.
Nun drehst du den Motor etwas gegen die Laufrichtung. Ca. diese 20-15°.
Dann nimmst du den Unterbrecher-Deckel bei der Zündung ab und drehst die Zündung langsam in die richtige Drehrichtung. An der Stelle, wo der Unterbrecher sich gerade öffnet funkt die Zündung.
Also den Motor auf der richtigen Stelle haben und die Zündung an die richtige Stelle drehen. Dann die Kette über die Kettenräder legen und verschrauben. Das ganze kontrollierst du dann in dem du den Motor langsam in die Laufrichtung drehst und nochmal siehst wann der Unterbrecher öffnet... Auf keinen Fall zu früh einstellen da der Motor zurückschlagen kann und nicht richtig läuft...
Es kann sein dass du die Zündung dann je nach Klang des Motors noch verstellen musst... aber laufen sollte er auf jeden Fall mit meiner geschilderten Vorgehensweise. Ich habs bei meinem auch nicht anders gemacht
Gruß Jakob
Das ganze ist ziehmlich einfach:
Das Schwungrad hat 6 Speich, ein Kreis hat 360°, dass heist zwischen jeder Speiche liegen 60°.
Beim Junior sollte die Zündung auf ca. 20° vor OT liegen wenn der Motor unter Volllast arbeitet. Etwas später beim laufen am Stand ohne Last. (ca. 10-15° vor OT)
Das Schwungrad hat auf einer Stelle ein Ausgleichsgewicht. Das ist gegenüber dem Kolben, d.h. wenn die Speiche mit dem Gewicht ganz unten ist, ist der Kolben ganz oben, OT haben wir also gefunden.
Nun drehst du den Motor etwas gegen die Laufrichtung. Ca. diese 20-15°.
Dann nimmst du den Unterbrecher-Deckel bei der Zündung ab und drehst die Zündung langsam in die richtige Drehrichtung. An der Stelle, wo der Unterbrecher sich gerade öffnet funkt die Zündung.
Also den Motor auf der richtigen Stelle haben und die Zündung an die richtige Stelle drehen. Dann die Kette über die Kettenräder legen und verschrauben. Das ganze kontrollierst du dann in dem du den Motor langsam in die Laufrichtung drehst und nochmal siehst wann der Unterbrecher öffnet... Auf keinen Fall zu früh einstellen da der Motor zurückschlagen kann und nicht richtig läuft...
Es kann sein dass du die Zündung dann je nach Klang des Motors noch verstellen musst... aber laufen sollte er auf jeden Fall mit meiner geschilderten Vorgehensweise. Ich habs bei meinem auch nicht anders gemacht
Gruß Jakob
- motorenbau
- Spezialist für Motorenbau / Motorenhersteller
- Beiträge: 1840
- Registriert: Di 2. Feb 2010, 22:12
- Meine Motoren: Junkers 2HK65
Sendling SG
Sendling MS II
Sendling WS308 (2 Stück)
Sendling D12
Ebbs & Radinger G
Renauer RAX R
HMG Glühkopf 6PS
CL Conord C.11
Pineau&Ragot Type A
Deutz MAH711 Pumpenaggregat
Farymann ER
Holder Piccolo mit Sachs Stamo 6
Sachs Stamo 160
und diverse Landmaschinen und Traktoren - Wohnort: Wolfegg
- Kontaktdaten:
Re: lister A zündung einstellen
Hallo
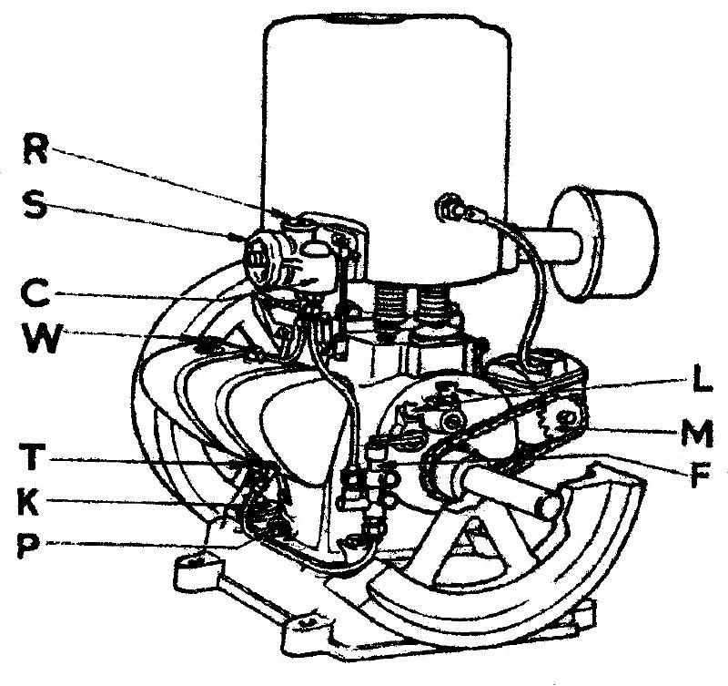
Also die Bedienungsanleitung sagt folgendes:
Schwungrad so stellen, daß die Markierung mit dem Blitz oben steht. Kettenrad M am Magnetzünder abbauen und Ankerwelle des Zünders in Laufrichtung drehen, bis sich die Unterbrecherkontakte gerade öffnen. Dann Kettenrad mit Kette wieder aufstecken und festziehen.
Gruß
Christian
Also die Bedienungsanleitung sagt folgendes:
Schwungrad so stellen, daß die Markierung mit dem Blitz oben steht. Kettenrad M am Magnetzünder abbauen und Ankerwelle des Zünders in Laufrichtung drehen, bis sich die Unterbrecherkontakte gerade öffnen. Dann Kettenrad mit Kette wieder aufstecken und festziehen.
Gruß
Christian
- Dateianhänge
-
- lister_AB.jpg (114.35 KiB) 3230 mal betrachtet
http://www.motorenbau.eu
Mitglied M033 in der Interessengemeinschaft historische Motoren Deutschland (IG-HM)
Mitglied M033 in der Interessengemeinschaft historische Motoren Deutschland (IG-HM)
-
Stamofreund
- Beiträge: 92
- Registriert: Sa 29. Jan 2011, 12:02
- Meine Motoren: Güldner
Deutz
Lister
B.S.A
Bradford
Kohler
Hatz
Diverse Dampfmaschinen
end open - Wohnort: Karlsruhe
Re: lister A zündung einstellen
Danke euch beiden werde es mal Ausprobieren.
Was hat das eigentlich bei lister mit Junior auf sich höre immer Junior aber es sind doch A oder B modele .
Wo kann man den die Anleitung auf deutsch herbekommen ?
Was hat das eigentlich bei lister mit Junior auf sich höre immer Junior aber es sind doch A oder B modele .
Wo kann man den die Anleitung auf deutsch herbekommen ?
- motorenbau
- Spezialist für Motorenbau / Motorenhersteller
- Beiträge: 1840
- Registriert: Di 2. Feb 2010, 22:12
- Meine Motoren: Junkers 2HK65
Sendling SG
Sendling MS II
Sendling WS308 (2 Stück)
Sendling D12
Ebbs & Radinger G
Renauer RAX R
HMG Glühkopf 6PS
CL Conord C.11
Pineau&Ragot Type A
Deutz MAH711 Pumpenaggregat
Farymann ER
Holder Piccolo mit Sachs Stamo 6
Sachs Stamo 160
und diverse Landmaschinen und Traktoren - Wohnort: Wolfegg
- Kontaktdaten:
Re: lister A zündung einstellen
Hallo
BTA/ETL auf Deutsch kann ich Dir verkaufen, die habe ich mal für einen Kumpel übersetzt. Da hätte ich gerne 4,20 € plus Porto für das Heftchen (16 Seiten, geheftet im Kartoneinband). Die Unterlagen sind passend für die Spec. 268/269.
Gruß
Christian
BTA/ETL auf Deutsch kann ich Dir verkaufen, die habe ich mal für einen Kumpel übersetzt. Da hätte ich gerne 4,20 € plus Porto für das Heftchen (16 Seiten, geheftet im Kartoneinband). Die Unterlagen sind passend für die Spec. 268/269.
Gruß
Christian
http://www.motorenbau.eu
Mitglied M033 in der Interessengemeinschaft historische Motoren Deutschland (IG-HM)
Mitglied M033 in der Interessengemeinschaft historische Motoren Deutschland (IG-HM)