Barkas EL 308; Ölmenge Drehzahlregler

Hier kommen Technische Fragen rein

Moderatoren: MotorenMatze, meisteradam, Junkersonkel

Antworten
Ventilspiel
Beiträge: 34
Registriert: Mo 30. Okt 2017, 09:39
Meine Motoren: Deutz MA608 Bj. 1938 Zweikammertank für Benzin/Petroleum
Condor Guidetti A3
Bengs "Die große Laura"
Böhm Flammenfresser HB22
Böhm Stirlingmotor HB16
Versch. Dampfmaschinen von DOLL, STUART, FLEISCHMANN

Barkas EL 308; Ölmenge Drehzahlregler

Beitrag von Ventilspiel »

Hallo,

ich bin dabei einen Barkas EL 308 aufzuarbeiten.
Wieviel ml Öl kommen in den Drehzahlregler?

Danke und Grüße.
Tino
arffm
Beiträge: 54
Registriert: So 29. Jul 2018, 21:33
Meine Motoren: Hatz E671
Lanz-TWN LT85D
Lutz M58
Sachs KM3
Sachs KM48
Sachs KM914A
Sachs Stamo30
Sachs Stamo120
Yanmar Diesel A3

Re: Barkas EL 308; Ölmenge Drehzahlregler

Beitrag von arffm »

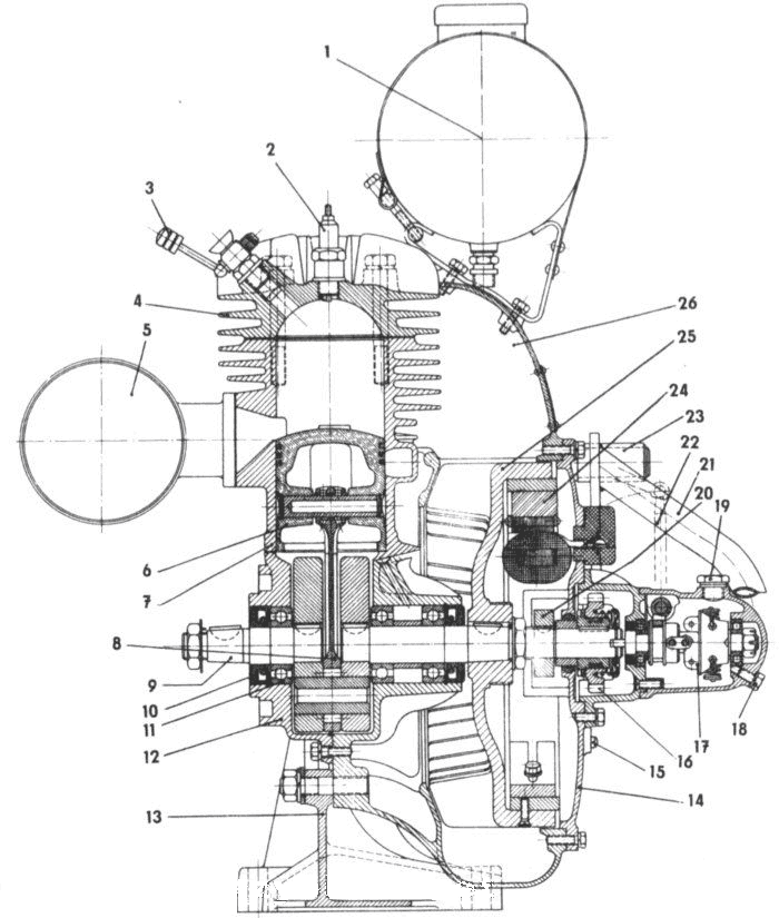
Getriebeöl GL3 SAE 90 (entspricht dem GL125)
durch die Einfüllschraube 19 oben so viel einfüllen, bis es an der Kontrollschraube 18 raus läuft.
EL308 Schnitt
EL308 Schnitt
Gruß arthur
Ventilspiel
Beiträge: 34
Registriert: Mo 30. Okt 2017, 09:39
Meine Motoren: Deutz MA608 Bj. 1938 Zweikammertank für Benzin/Petroleum
Condor Guidetti A3
Bengs "Die große Laura"
Böhm Flammenfresser HB22
Böhm Stirlingmotor HB16
Versch. Dampfmaschinen von DOLL, STUART, FLEISCHMANN

Re: Barkas EL 308; Ölmenge Drehzahlregler

Beitrag von Ventilspiel »

Hallo Arthur,

für mich war die Schraube 18 für die Entleerung.
Deine Antwort leuchtet auch mit Hilfe der Schnittzeichnung ein, da diese ja nicht am tiefsten Punkt ist.
Danke für die schnelle Hilfe.

Grüße Tino
Antworten