lüfterrad vom el150 demontieren

Hier kommen Technische Fragen rein

Moderatoren: MotorenMatze, meisteradam, Junkersonkel

Antworten
ulferdmann
Beiträge: 4
Registriert: Sa 26. Mai 2018, 10:55
Meine Motoren: barkas el 150

lüfterrad vom el150 demontieren

Beitrag von ulferdmann »

Hallo ,

ich habe mir einen Balkenmäher zugelegt der mit dem Motor EL 150 angetrieben wird .
mein Problem kein Zündfunke - um an die Zündung zu kommen muß ja das Lüfterrad runter
Kann mir jemand Tips geben wie ich vorgehen muß bzw was ich für ein Werkzeug Brauche

Ich sage schon mal Danke
Gruß Ulf Erdmann
Benutzeravatar
deutz93
Beiträge: 633
Registriert: Fr 29. Mai 2015, 22:24
Meine Motoren: changfa R 170 A
Bischoff Zwerg
Maier Mechanic Modell Gasmotor
Modell Stationärmotor Hans
2 Eigenbau Modelldampfmaschinen
Breuer 2 Zylinder Boxermotor
2 BUB Bootsmotoren
Jap js34 mit 12 Volt Generator
DKW EL 462
DKW EL 150
Tragbares Benzin-Elektro-Aggregat GAB 1,6
Farymann Typ LE
Ebbs und Radinger LBN 4
Leek Engine Gasmotor
Lister D
Sachs Stamo 4
Sachs D 400 L
Sachs D 500 W
Wohnort: Höhn

Re: lüfterrad vom el150 demontieren

Beitrag von deutz93 »

Hallo
Du benötigst ein Abzieher wie auf dem Bild mit M28 mal 1,5 Außengewinde.Den Abzieher spannst du am besten vorsichtig immer stückchenweiße nach und zwischendurch immer wieder warten bis das Polrad sich mit einem mehr oder weniger beeindruckenden Kancks geräusch löst.
DSC_0990.JPG
DSC_0990.JPG (36.33 KiB) 2344 mal betrachtet
Mfg.Max
Altes kaputtes zeug ist viel besser als neues Funktionierendes.
http://www.youtube.com/channel/UCFZ00fHTjuyckUimS_fRkug
ulferdmann
Beiträge: 4
Registriert: Sa 26. Mai 2018, 10:55
Meine Motoren: barkas el 150

Re: lüfterrad vom el150 demontieren

Beitrag von ulferdmann »

Hallo ,

der Abzieher ist bestellt. wo bekomme ich einen passenden Schlüssel für die Kronenmutter die vor dem Lüfterradsitzt

Gruß Ulf
Benutzeravatar
deutz93
Beiträge: 633
Registriert: Fr 29. Mai 2015, 22:24
Meine Motoren: changfa R 170 A
Bischoff Zwerg
Maier Mechanic Modell Gasmotor
Modell Stationärmotor Hans
2 Eigenbau Modelldampfmaschinen
Breuer 2 Zylinder Boxermotor
2 BUB Bootsmotoren
Jap js34 mit 12 Volt Generator
DKW EL 462
DKW EL 150
Tragbares Benzin-Elektro-Aggregat GAB 1,6
Farymann Typ LE
Ebbs und Radinger LBN 4
Leek Engine Gasmotor
Lister D
Sachs Stamo 4
Sachs D 400 L
Sachs D 500 W
Wohnort: Höhn

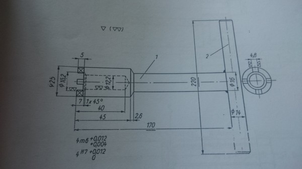
Re: lüfterrad vom el150 demontieren

Beitrag von deutz93 »

Hallo
Hier eine Zeichnung von dem Schlüssel. Am einfachsten ist es eine Nuss passend zu feilen oder die brutale Methode und die Mutter mit einem Meißel Rauf und runter prügeln.
DSC_0996.JPG
DSC_0996.JPG (28.96 KiB) 2254 mal betrachtet
Mfg.Max
Altes kaputtes zeug ist viel besser als neues Funktionierendes.
http://www.youtube.com/channel/UCFZ00fHTjuyckUimS_fRkug
ulferdmann
Beiträge: 4
Registriert: Sa 26. Mai 2018, 10:55
Meine Motoren: barkas el 150

Re: lüfterrad vom el150 demontieren

Beitrag von ulferdmann »

Danke Max ,

Ich werde morgen das feilen anfangen

Gruß Ulf
ulferdmann
Beiträge: 4
Registriert: Sa 26. Mai 2018, 10:55
Meine Motoren: barkas el 150

Re: lüfterrad vom el150 demontieren

Beitrag von ulferdmann »

der Motor läuft wieder - Samstag geht's ins Gelände Rasen mähen

Gruß Ulf
Antworten