Hallo Hartwig,
ich habe eben einmal in meiner Anleitung geblättert
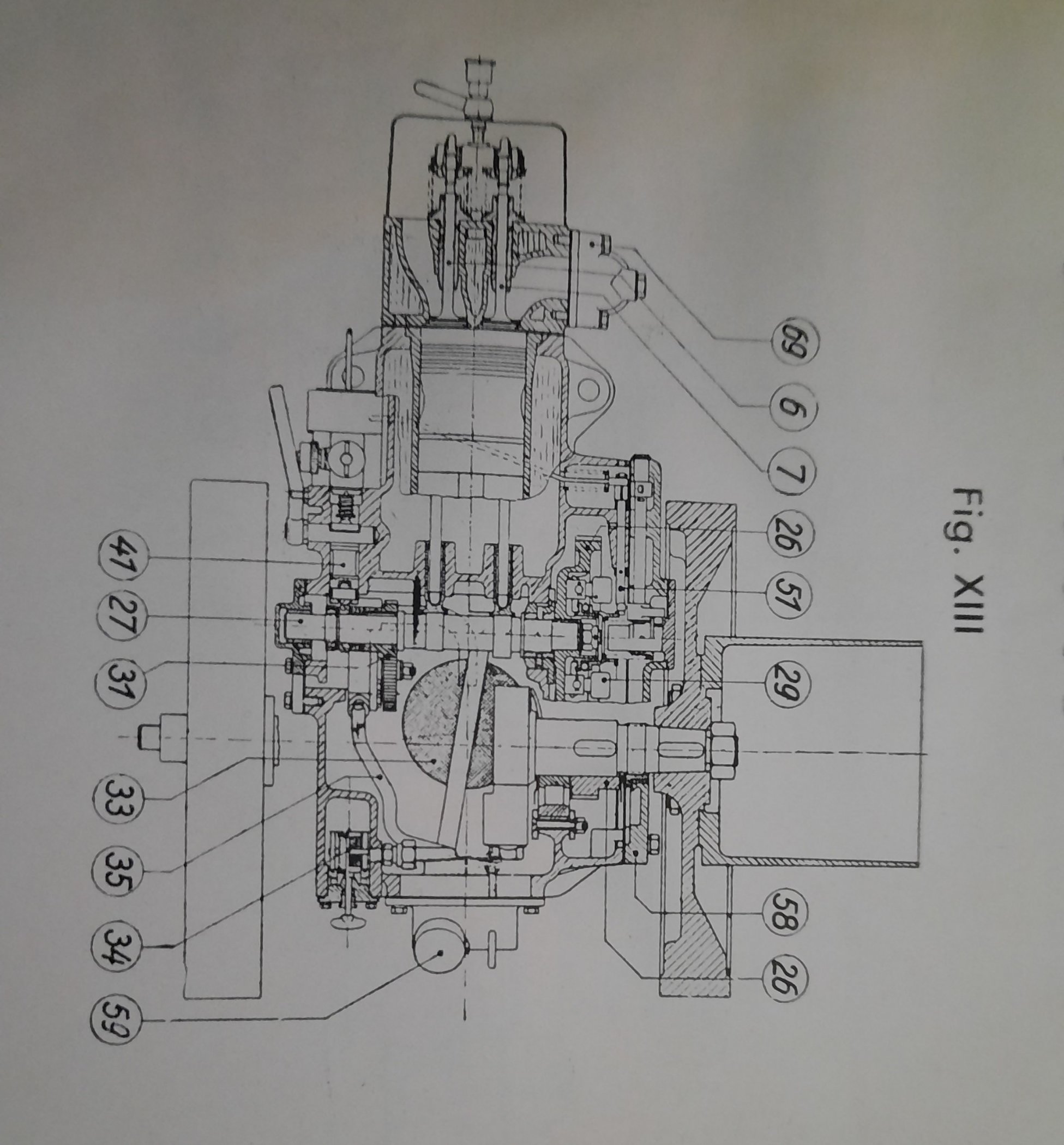
Der Förderbeginn lässt sich meiner Meinung nach nicht wirklich verstellen... Die Pumpe wird über die Nockenwelle angetrieben, welche quer im Motor verbaut ist, quasi wie die Kurbelwelle. Diese wird auch über die Kurbelwelle über ein Zahnrad angetrieben.
Da der nocken, welcher die Pumpe betätigt fest mit der Nockenwelle verbunden ist könnte man meines Erachtens nach nur die komplette Nockenwelle verdrehen, was jedoch auch die Steuerzeiten der Ventile beeinflusst.
Da ich die Nockenwelle jedoch selbst noch nicht ausgebaut habe, kann ich nicht sagen ob das stimmt
Jedoch ist auch in der Bedienungsanleitung nichts darüber zu finden
Anbei ein Bild wo man links erkennen kann wie die Pumpe über die Nockenwelle angesteuert wird.
Eventuell hat jemand schon mehr Erfahrungen bei den GW Motoren in sachen Nockenwelle und kann dir hier noch einmal genauer weiterhelfen
Zum Thema Ventielspiel gilt für den GW 8 1,0 - 1,2mm
Mfg
Marcel S.
